Tuoteryhmät ja tuotteet

USB-BS-SMD
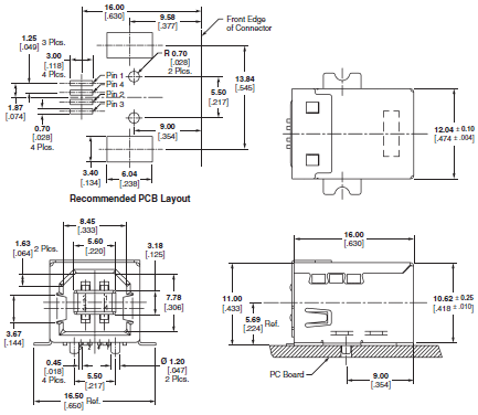
USB-B -runkoliitin piirilevylle SMD

Tekniset tiedot

USB-B -runkoliitin piirilevylle.

Kulmamalli. Pintaliitos.
 

Tilauskoodi:

USB-BS-SMD

USB-sarja:

B

Koskettimet:

kullattu fosforipronssi

Liitäntä:

pintaliitos piirilevylle

Käyttölämpötila:

-55...+85 °C

Napaluku:

4

Polariteetti:

naaras
Valmistajan tuotekoodi:
1734346-1



Katso lisätietoja tuotteen sivulta.

Määrä:
USB-B -runkoliitin piirilevylle SMD
Hinta
1+ 2,25 EUR
10+ 1,91 EUR
50+ 1,68 EUR

Ei varastossa
Toimitusaika: 1 viikko