150510-24VDC (Sähkömekaaninen impulssilaskin 24Vdc)
Katso muut tarjoustuotteet!
37,46 EUR
Etusivu
Tarjoukset
Uusimmat tuotteet
Ostoskori
Kassalle
Luo käyttäjätili
Yhteystiedot
Yritys
|
Rekisteriseloste
|
Rekry
|
Toimitusehdot
|
Toimituskulut
|
Tekniset sivut
|
Sivuston käyttöohje
|
Palautukset
|
Laskutustilin avaus
|
Usein kysyttyä
|
In English
|
Etsi tuotteita
Tarkennettu haku
Kirjaudu
Ostoskorissa 0 tuotetta 0,00 EUR
Etusivu
»
Releet - Kontaktorit
»
Ohjausreleet DIN-kiskoon
»
G2RV-sarja
»
G2RV-SR501-24VDC
Tuotteiden hinnat sis. alv 25.5 %
Tuoteryhmät ja tuotteet
3D-tulostus
Ajoneuvoelektroniikka
Akut
Antennitarvikkeet
Anturit - Anturikaapelit
Arduino-tuotteet
Audio- / videolaitteet
Audioliittimet
Automaatioliittimet
CMOS-logiikkapiirit
Diodit
ESD-tuotteet
Ferriitit - Kelat - Suotimet
Hälytin- ja turvalaitteet
Juottimet - Juotostarvikkeet
Jännitemuuntimet
Jäähdytyslevyt ja -tarvikkeet
Kaapeliasennustarvikkeet
Kaapeliliittimet
Kaapelit
Kaiuttimet
Kemikaalit
Kiinnitystarvikkeet
Kiteet - Kideoskillaattorit
Kondensaattorit
Kotelot
Kuulokkeet
Kytkimet
Laitenupit
Laitetuulettimet
Lamput - Lamppukalusteet
Latauslaitteet
Liitinrasiat ja -paneelit
Liitäntäkaapelit
Liitäntäpiirit
Lineaaripiirit
Lämmityselementit
Magneetit
Mikrofonit
Mittalaitteet
Mittausliittimet ja -johdot
Moninapaliittimet
Moottorit
Muistipiirit
Muuntajat
Nauhakaapeliliittimet
Ohjauslaitteet ja säätimet
Optokomponentit
Paneelimittarit
Paristot - Paristopitimet
Pienkojeet ja laitteet
Piirilevytarvikkeet
Potentiometrit
Prosessori- ja oheispiirit
Puolijohdekannat ja eristeet
Rakennussarjat
Raspberry Pi tuotteet
Releet - Kontaktorit
Piirikorttireleet
Tehoreleet (kannalle)
Ohjausreleet DIN-kiskoon
MIR17-sarja
RS30-sarja
HF41F-sarja
RSLM-sarja
G2RV-sarja
PLCR-sarja
TRZ24-sarja
Impulssireleet
Kontaktorit
Puolijohdereleet
Aikareleet
Turva- ja valvontareleet
Reed-magneettikytkimet
Reletarvikkeet
Signaalimuunninmodulit
Solenoidit
Sulakkeet - Sulakepesät
Summerit
Suurtaajuusliittimet
Tasasuuntaussillat
Teholähteet
Termostaatit
Tietokonetarvikkeet
Transistorit
Triacit
Trimmeripotentiometrit
TTL-logiikkapiirit
TV- / video- / monitoriliittimet
Tyristorit
Työkalut
UPS-laitteet
Valaisimet - Valaisintarvikkeet
Varastointimateriaalit
Vastukset
Vastusverkot
Virtaliittimet
Virtamuuntajat
Ylijännitesuojat
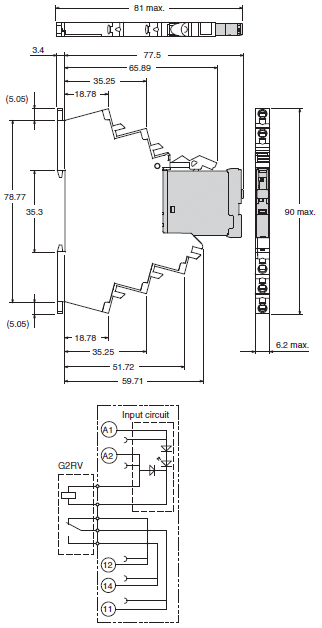
G2RV-SR501-24VDC
Ohjausrele DIN-kiskoon 24Vdc/250Vac 6A
Tekniset tiedot
DIN-kiskoon asennettava ohjausrele.
Kytkentä jousiliittimillä. Rele varustettu koestusmekanismilla.
Rele vaihdettavissa (varaosareleessä ei koestusmekanismia).
Tilauskoodi:
G2RV-SR501-24VDC
Toiminta:
1 vaihtokosketin
Kosketinmateriaali:
hopeaseos
Kytkentävirta:
10 mA - 6 A
Kytkentäjännite:
250 Vac / dc
Ohjausjännite:
24 Vdc
Ohjausvirta:
13,3 mA
Kytkentäaika:
20 ms maks.
Elinikä:
5 000 000 kytkentää (mekaalinen)
Liitäntä:
jousiliitäntä
Johdinkoko:
0,5-1,5 mm
²
Varaosarele:
G2RV-21VDC
(G2RV-1-S 21VDC)
Käyttölämpötila:
-40...+55
°
C
Mitat (PxLxK):
90x6,2x81 mm
Valmistajan tuotekoodi:
G2RV-SR501 DC24
Alkuperämaa:
Tullikoodi:
85364190
Katso lisätietoja tuotteen sivulta.
Määrä:
×
Hinta
1+
18,88 EUR
10+
17,01 EUR
50+
15,09 EUR
Varastossa (10)
Valmistaja
-
Omron Co kotisivu
-
Muut tuotteet
Kerro ystävälle
Kerro ystävällesi tuotteesta G2RV-SR501-24VDC - Ohjausrele DIN-kiskoon 24Vdc/250Vac 6A