WN-5X5X5 (Kestomagneetti Neodymium N42 5x5x5mm (W-05-N))
Katso muut tarjoustuotteet!
0,50 EUR
Etusivu
Tarjoukset
Uusimmat tuotteet
Ostoskori
Kassalle
Luo käyttäjätili
Yhteystiedot
Yritys
|
Rekisteriseloste
|
Rekry
|
Toimitusehdot
|
Toimituskulut
|
Tekniset sivut
|
Sivuston käyttöohje
|
Palautukset
|
Laskutustilin avaus
|
Usein kysyttyä
|
In English
|
Etsi tuotteita
Tarkennettu haku
Kirjaudu
Ostoskorissa 0 tuotetta 0,00 EUR
Etusivu
»
Anturit - Anturikaapelit
»
Anturikaapelit
»
Anturikaapelit M12
»
M12 - 5-napaiset
»
CON12-M5-5M
Tuotteiden hinnat sis. alv 25.5 %
Tuoteryhmät ja tuotteet
3D-tulostus
Ajoneuvoelektroniikka
Akut
Antennitarvikkeet
Anturit - Anturikaapelit
Anturiliittimet
Anturikaapelit
Anturikaapelit M8
Anturikaapelit M12
M12 - 4-napaiset
M12 - 4-napaiset/D-koodaus
M12 - 5-napaiset
M12 - 8-napaiset
M12-RJ45 (ProfiNet)
Termoparikaapelit
Induktiiviset anturit
Kapasitiiviset anturit
Optiset anturit (valokennot)
Ultraäänianturit
Lämpötila-anturit
Liikeanturit
Nestepinta-anturit
Magneettikytkimet
Pulssianturit
Muut anturit
Arduino-tuotteet
Audio- / videolaitteet
Audioliittimet
Automaatioliittimet
CMOS-logiikkapiirit
Diodit
ESD-tuotteet
Ferriitit - Kelat - Suotimet
Hälytin- ja turvalaitteet
Juottimet - Juotostarvikkeet
Jännitemuuntimet
Jäähdytyslevyt ja -tarvikkeet
Kaapeliasennustarvikkeet
Kaapeliliittimet
Kaapelit
Kaiuttimet
Kemikaalit
Kiinnitystarvikkeet
Kiteet - Kideoskillaattorit
Kondensaattorit
Kotelot
Kuulokkeet
Kytkimet
Laitenupit
Laitetuulettimet
Lamput - Lamppukalusteet
Latauslaitteet
Liitinrasiat ja -paneelit
Liitäntäkaapelit
Liitäntäpiirit
Lineaaripiirit
Lämmityselementit
Magneetit
Mikrofonit
Mittalaitteet
Mittausliittimet ja -johdot
Moninapaliittimet
Moottorit
Muistipiirit
Muuntajat
Nauhakaapeliliittimet
Ohjauslaitteet ja säätimet
Optokomponentit
Paneelimittarit
Paristot - Paristopitimet
Pienkojeet ja laitteet
Piirilevytarvikkeet
Potentiometrit
Prosessori- ja oheispiirit
Puolijohdekannat ja eristeet
Rakennussarjat
Raspberry Pi tuotteet
Releet - Kontaktorit
Signaalimuunninmodulit
Solenoidit
Sulakkeet - Sulakepesät
Summerit
Suurtaajuusliittimet
Tasasuuntaussillat
Teholähteet
Termostaatit
Tietokonetarvikkeet
Transistorit
Triacit
Trimmeripotentiometrit
TTL-logiikkapiirit
TV- / video- / monitoriliittimet
Tyristorit
Työkalut
UPS-laitteet
Valaisimet - Valaisintarvikkeet
Varastointimateriaalit
Vastukset
Vastusverkot
Virtaliittimet
Virtamuuntajat
Ylijännitesuojat
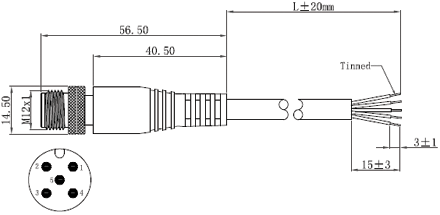
CON12-M5-5M
Anturikaapeli M12 5-nap. uros/suora 5m
Tekniset tiedot
Anturikaapeli yhdellä liittimellä. Suora liitin.
Tilauskoodi:
CON12-M5-5M
Jännitekesto:
60 Vac / dc
Virtakesto:
4 A
Liitin:
M12-anturipistoke 5-nap. uros
Liitinkoodaus:
A
Koskettimet:
kullattu messinki
Tiiveysluokka:
IP 67
Kaapeli:
musta PVC 5x0,34 mm² (AWG 22)
Pituus:
5 m
Käyttölämpötila:
-25...+85 °C
Alkuperämaa:
CN (Kiina)
Tullikoodi:
85444290
Määrä:
×
Hinta
1+
23,79 EUR
10+
21,40 EUR
50+
19,05 EUR
Ei varastossa
Toimitusaika: 1 viikko
Valmistaja
-
Molex Co. kotisivu
-
Muut tuotteet
Kerro ystävälle
Kerro ystävällesi tuotteesta CON12-M5-5M - Anturikaapeli M12 5-nap. uros/suora 5m